Interco is a low-noise analog/digital signal interconnection system reducing lab cabling complexity, with modular control and a Python command library.
- Titre du projet : INTERCO
- Collaborateurs CEA : LETS
- Collaborateurs externes : C2N,
- Financements : C2N
- Date de début : 2022
- Statut du projet : 5 exemplaires en fonctionnement au C2N. transfert technologique en cours auprès de Greenfield technology.
- Mots clés : contrôle, automatisation, mesure, électronique votre article…
Les expérimentations en laboratoire nécessitent souvent d’effectuer des mesures de plusieurs grandeurs physiques en utilisant des instruments divers (oscilloscopes, analyseurs de spectre, Lock-In, etc.). Le câblage de ces signaux peut alors devenir rapidement compliqué et encombrant. La longueur des câbles ainsi que les différents accessoires d’interconnexion peuvent perturber la mesure, voir même la rendre impossible. Par ailleurs, le câblage répétitif peut causer des erreurs pouvant induire des dommages irréversibles. L’INTERCO est un système d’interconnexion de signaux analogiques et numériques à très faible bruit avec une bibliothèque de commande Python.
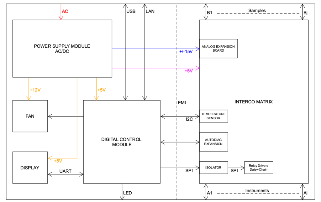
INTERCO est composé de plusieurs modules. Le module d’alimentation permet, à partir du secteur, de fournir la puissance et de réguler les niveaux de tension nécessaires au fonctionnement du système. Basé sur un microcontrôleur STM32, le module de contrôle permet de piloter le système et offre une interface de commande intuitive. La matrice d’interconnexion abrite des circuits à base de relais électromécanique permettant l’interconnexion bidirectionnelle des signaux des voies A et B. Les voies A sont destinées pour les instruments et les voies B pour les échantillons. Les voies A offrent la possibilité d’intégrer des cartes électroniques pour appliquer un traitement spécifique sur le signal (Ex. Filtre). En outre, la matrice d’interconnexion dispose de capteurs de température permettant d’éviter les gradients de température en régulant la température du système en utilisant un ventilateur. La partie analogique comportant la matrice d’interconnexion est isolée du reste du système par des plaques conductrices reliées à la terre.
INTERCO intègre également une carte d’autodiagnostic permettant de vérifier le bon état des lignes d’interconnexion. En effet, la résistance de contact des relais augmente avec l’utilisation. En mesurant cette variation de résistance, la carte de diagnostic du système permet de suivre l’usure des lignes d’interconnexion

INTERCO est intégré dans un boitier rackable 19 pouces 3U (436 x 129 x365 mm). La façade avant comporte les voies d’interconnexion des instruments (Ai), des entrées auxiliaires pour une extension future du système et des voyons LED. La façade arrière comporte les voies d’interconnexion des échantillons (Bj), les interfaces de commande USB/LAN et l’entrée du filtre secteur pour l’alimentation du système.
| Caractéristiques | Conditions | Min | Typ | Max | Unité |
| Alimentation secteur | |||||
| Tension efficace | 50-60Hz | 210 | 230 | 250 | V |
| Courant efficace | 50-60Hz | 0.35 | A | ||
| Signal | |||||
| Tension | 10W max | 100 | V | ||
| Courant | 10W max | 0.5 | A | ||
| Bande passante | |||||
| AiNF ↔ AjNF(AiNF & AiAj & AjAi & AjNF) | 100 | MHz | |||
| AiNF ↔ Bj(AiNF & AiBj & BjAi) | 50 | MHz | |||
| Résistance de ligne (1) | |||||
| AiNF ↔ AjNF(AiNF & AiAj & AjAi & AjNF) | Ligne ouverte | 1012 | Ω | ||
| Ligne fermée | 0.9 | 1.5 | Ω | ||
| AiNF ↔ Bj(AiNF & AiBj & BjAi) | Ligne ouverte | 1012 | Ω | ||
| Ligne fermée | 1.3 | 1.7 | Ω | ||
| Temps de commutation | |||||
| Temps d’ouverture des relais | 0.2 | ms | |||
| Temps de fermeture des relais | 0.5 | ms | |||
| Durée de vie (2) | |||||
| Durée de vie des relais | Charge résistive 10V, 10mA | 108 | opt | ||
| Charge maximale | 106 | opt | |||
- La résistance de ligne augmente avec l’utilisation.
- La durée de vie des relais est donnée pour une résistance de contact de 1 Ω max.






